Design Criteria for Machine Tool Structure
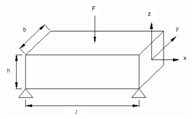
The simple machine tool bed with two-side wall is presented as a just supported beam. Diagram depicts a simply supported beam. Point load F works at its center. The maximum normal stress acting upon the beam is given by

Figure: Simply Supported Beam